

便捷型拖鏈也叫方便型拖鏈 方便裝填高性價比——方便型拖鏈 便捷型拖鏈有外部開口,及內部開口、外部開口可供選擇。 典型行業與應用: l 一般機械 l 無塵室應用 l 電子裝置 l 辦公設備 l 自動收貨機 l 包裝機械 l 機床 |
|
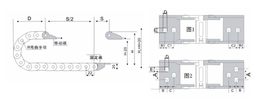
便捷型拖鏈參數:

| 序列號 | 內高 | 內寬 | 外高 | 外寬 | 彎曲半徑(R) | 打開方式 | 孔徑 | 對應接頭孔距(mm) | 接頭訂購型號 |
| 10系列橋式 | 10 | 11 | 14.6 | 17 | 18 20 38 | W | D=E=3.6 | A=7B=4C=8 | 10.11.W.12PZ |
| 10 | 15 | 14.6 | 22.3 | W | D=E=3.5 | A=10B=4C=8 | 10.15.W.12PZ | ||
| 10 | 20 | 14.6 | 27.5 | W | D=E=3.4 | A=12B=4C=8 | 10.20.W.12PZ |


15系列便捷型拖鏈作用:
1.節省時間:只需用拇指將電纜壓入拖鏈即可使用,而無需打開和關閉橫桿,非常易于裝填,免于拆裝,從而大大地減少裝配時間。 2. 方便拆卸:隨意延長和縮短。 3. 便捷型拖鏈可提供兩種不同型號。 可從外側輕松裝填電纜,可從內側輕松裝填電纜。 4. 一片式設計使便捷型拖鏈在價格上也具有明顯的優勢。 5. 具有優化的彈性,回彈性高,可反復按壓幾萬次。 6. 重量極輕 7. 小節距實現靜音平穩的運轉 8. 適合高加速度 9. 可進行有限的扭轉運動 10. 便捷型拖鏈材料起火后在30秒內熄滅可阻燃。 11. 平滑內輪廓
12. 可選用集成去應力元件的安裝架 13. “按鈕式設計”將鏈節固定在一起 14. “高柔性材料”,高柔性材料和可靠的銷/孔連接以及按鈕機制有助于實現簡單的扭轉和旋轉運動,便捷型拖鏈具有扭轉穩定性,甚至可補償垂直不齊的連接。 15. 部分注塑成型的內部分隔和多腔原理使內部分隔無需后續裝配。 這節省了裝配時間,并優化了電纜在拖鏈中的排布。整齊排布的電纜確保了無故障運轉。 16. 拼合開放式橫桿。電纜和軟管可用手指輕松按進拖鏈中,裝配時間和剪切時間因此減少達80%。 17. 便捷型拖鏈一直提供兩種型號,并可從外部或內部將電纜和軟管填充或拆除。從而降低維護或更換時間。 18. 鏈節被可靠地固定住,即使在高負載和中等扭轉下也不會松開。抗壓/抗斷強度高,以提供產品附加負載和無支承長度的可靠規格 ,使用壽命長。 19. 小節距,便捷型拖鏈將多邊形效應降至較低,因此產生的滾動噪聲更小。靜音運轉,速度= 1米/秒。 20. 由于安裝架集成了去應力裝置,您可以用電纜扎帶簡單快捷地組成專業連接。束帶板上對電纜扎帶進行的抗拉強度測試。 21. 結實的方形安裝系統,可靠性高、無支承距離長,小半徑,適合有限的安裝空間。 22. 適用于無塵室。 23. 便捷型拖鏈可裝配在任何類型的機器上,并簡化安裝時間。 24. 平滑的內表面,兼容各種電纜,延長電纜的耐用性,對電纜友好的平滑圓輪廓,可延長電纜和軟管的使用壽命。 |

![]() | 01.雄厚實力擁有19年拖鏈研發生產經驗
● 圣達擁有35年的行業經驗,專為用戶提供拖鏈和配線器材; ● 擁有10000㎡廠房面積,20臺注塑機、折彎機 、激光切割、數控切割、數十幾臺先進設備。 02.強大的團隊實力滿足各種拖鏈配套需求
● 圣達擁有成熟的研發技術,數十人設計團隊,5年豐富的生產及銷售經驗 ● 研發團隊有設計和高品質產品制造能力,能滿足拖鏈配套產品的各種需求。 |
03.大庫存·出貨快滿足高產量需求
● 圣達具備大量的穩定庫存,能滿足用戶大批量批發需求; ● 與各大知名物流企業保持長期合作關系,正常規格可在24小時內發貨。 04.打造品牌服務構建專業體系
● 圣達擁有專業強大的技術服務團隊,隨時為用戶提供各種拖鏈解決方案和服務支持; ● 24小時貼心服務,快速響應客戶售后問題,全程為您提供舒心服務。 | ![]() |
|
東莞市圣達機械科技有限公司是一家專業從事生產線纜拖鏈系統,電纜保護軟管及接頭連接器的工業自動化公司,公司致力與線纜拖鏈系統領域的發展,憑借產品的高品質,高技術,優美外觀,貼心服務,廣泛應用于工業自動化,數控機床,塑料機械,化工機械,工程機械,煙草設備,醫藥設備,港口設備,制造設備等領域。 隨著公司的不斷發展,堅持能夠提供“完整的拖鏈系統”,這是一個集合了電纜拖鏈,電纜保護軟管以及接頭連接器于一體的全新概念,為客戶帶來更好的解決方案。因此,讓我們一起不斷成長,一往無前! |

傳真:0769-81152018
郵箱:tuolian@139.com
銷售一部:0769-33302777,15916891777
銷售二部:0769-33876777,15112854777
公司地址:廣東省東莞市長安鎮廈崗復興路33號
版權歸 東莞市圣達機械科技有限公司 備案號:粵ICP備19138144號

